D341X Soft Seal Flange Butterfly Valve
Product overview
Product model: D341X
Nominal diameter: DN50 ~ 1000mm
Nominal pressure: PN0.6~1.6MPa
Applicable temperature: ≤120℃
Body material: all kinds of rubber, PTFE
Drive mode: manual, worm and worm gear drive, gas drive, electric drive
Applicable medium: air, water, sewage, steam, gas, oil and other design standards: GB/T2238-1989
Flange connection size: GB/T9113.1-2000;GB/T9115.1-2000;JB78
Structure length: GB/T12221-1989
Pressure test: GB/T13927-1992;JB/T9092-1999
D341X Soft Seal Flange Butterfly Valve main technical parameters
|
Nominal diameter
|
DN (mm)
|
50 ~ 2000
|
||
|
Nominal pressure
|
PN (MPa)
|
0.6
|
1.0
|
1.6
|
|
test pressure
|
Strength test
|
0.9
|
1.5
|
2.4
|
|
Seal test
|
0.66
|
1.1
|
1.76
|
|
|
Gas seal test
|
0.6
|
0.6
|
0.6
|
|
|
Suitable media
|
Air, water, sewage, steam, gas, oil and so on
|
|||
|
Drive form
|
Manual, worm gear drive, gas drive, electric drive
|
|||
D341X Soft Seal Flange Butterfly Valve main parts of the material
|
Part Name
|
material
|
|
Body
|
All kinds of rubber, PTFE
|
|
Butterfly plate
|
Gray cast iron, ductile cast steel, cast steel, stainless steel and special materials
|
|
Sealing ring
|
Ductile cast steel, cast steel, alloy steel, stainless steel
|
|
Valve stem
|
2Cr13, stainless steel
|
|
filler
|
O-ring, flexible graphite
|
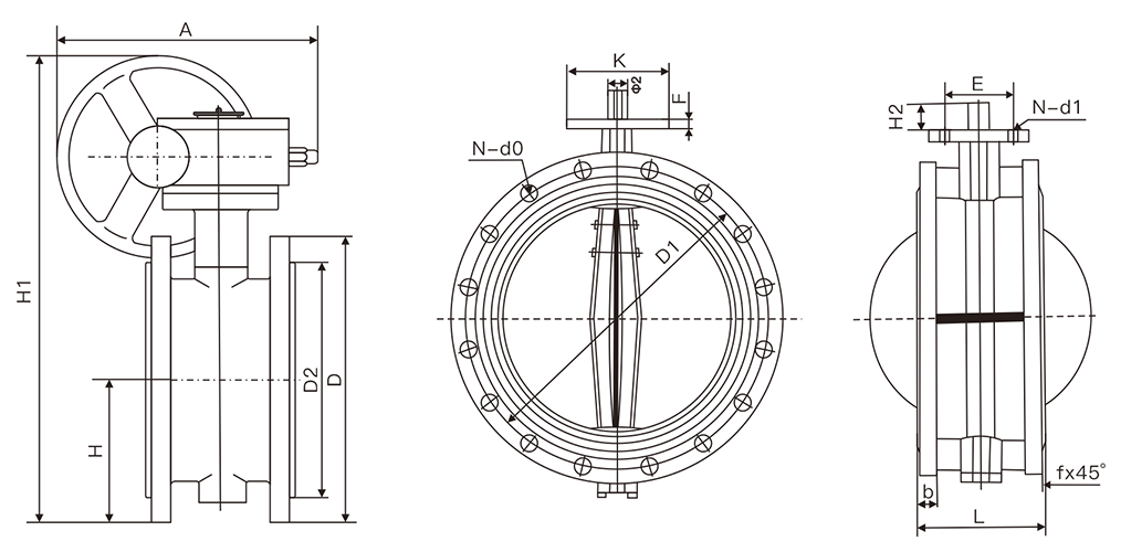
D341X Soft Seal Flange Butterfly Valve main dimensions and weight (PN1.0 / 1.6MPa)

|
DN (mm) |
A | B | C | D | D1 | D2 | D3 | D4 | D5 | L | L1 | L2 | nd | a | f | n-d1 |
Weight WT (kg) |
| 50 | 83 | 130 | 20 | 52.9 | 125 | 165 | 99 | 57.15 | 65 | 108 | 111 | 32 | 4-19 | 90 ° | 3 | 4-7 | 7.6 |
| 65 | 93 | 145 | 20 | 64.5 | 145 | 185 | 118 | 57.15 | 65 | 112 | 115 | 32 | 4-19 | 90 ° | 3 | 4-7 | 9.7 |
| 80 | 100 | 155 | 22 | 78.8 | 160 | 20 | 132 | 69.85 | 65 | 114 | 117 | 32 | 8-19 | 45 ° | 3 | 4-7 | 10.6 |
| 100 | 114 | 170 | 24 | 104 | 180 | 220 | 156 | 69.85 | 90 | 127 | 130 | 32 | 8-19 | 45 ° | 3 | 4-10 | 13.8 |
| 125 | 125 | 190 | 26 | 123.3 | 210 | 250 | 184 | 69.85 | 90 | 140 | 143 | 32 | 8-19 | 45 ° | 3 | 4-10 | 18.2 |
| 150 | 143 | 205 | 26 | 155.6 | 240 | 285 | 211 | 88.9 | 90 | 140 | 143 | 32 | 8-23 | 45 ° | 3 | 4-10 | 21.7 |
| 200 | 170 | 235 | 26 | 202.5 | 295 | 340 | 266 | 88.9 | 125 | 152 | 155 | 45 |
8-23 12-23 |
45 ° / 30 ° | 3 | 4-14 | 31.8 |
| 250 | 198 | 280 | 28 | 250.5 | 350/355 | 395/405 | 319 | 107.95 | 125 | 165 | 168 | 45 |
12-23 12-28 |
30 ° | 3 | 4-14 | 44.7 |
| 300 | 223 | 310 | 28 | 301.5 | 400/410 | 445/460 | 370 | 107.95 | 150 | 178 | 182 | 45 |
12-23 12-28 |
30 ° | 4 | 4-14 | 57.9 |
| 350 | 279 | 340 | 30 | 333.3 | 460/470 | 505/520 | 429 | 158.75 | 150 | 190 | 194 | 45 |
16-23 16-28 |
22.5 ° | 4 | 4-14 | 81.6 |
| 400 | 300 | 375 | 32 | 389.6 | 515/525 | 565/580 | 480 | 158.75 | 175 | 216 | 221 | 51.2 / 72 |
16-28 16-31 |
22.5 ° | 4 | 4-20.6 | 106 |
| 450 | 345 | 430 | 32 | 440.5 | 565/585 | 615/640 | 530 | 158.75 | 175 | 222 | 227 | 51.2 / 72 |
20-28 20-31 |
18 ° | 4 | 4-20.6 | 147 |
| 500 | 355 | 500 | 34 | 491.6 | 620/650 | 670/715 | 582 | 215.9 | 210 | 229 | 234 | 52.75 / 77.5 |
20-26 20-34 |
18 ° | 4 | 4-20.6 | 165 |
| 600 | 410 | 560 | 36 | 592.5 | 725/770 | 780/840 | 682 | 254 | 210 | 267 | 272 | 70.2 / 82 |
20-31 20-37 |
18 ° | 5 | 4-22 | 235 |
| 700 | 478 | 620 | 40 | 695 | 840 | 895/910 | 794 | 254 | 300 | 292 | 299 | 66/82 |
24-31 24-37 |
15 ° | 5 | 8-18 | 338 |
| 800 | 529 | 620 | 44 | 794.7 | 950 | 1015/1025 | 901 | 254 | 300 | 318 | 325 | 66/82 |
24-34 24-40 |
15 ° | 5 | 8-18 | 475 |
| 900 | 584 | 665 | 46 | 864.7 | 1050 | 1115/1125 | 1001 | 254 | 350 | 330 | 338 | 118 |
28-34 28-40 |
12.9 ° | 5 | 8-22 | 595 |
| 1000 | 657 | 735 | 50 | 965 | 1160/1170 | 1230/1255 | 1112 | 254 | 350 | 410 | 417 | 141 |
28-37 28-43 |
12.9 ° | 5 | 8-22 | 794 |
Reminder:
All text, data and pictures in this article are for reference only.To see more details of the D341X Soft Seal Flange Butterfly Valve performance parameters, structural dimension parameters, pricing, etc., or to request high quality printing samples, please Contact us.